Description
AUTOMA – Automatic Valve Y Type Valve
The AUTOMA Automatic Valve Y Type Valve is a high-performance control valve featuring a Y-pattern design that reduces pressure drop and enhances flow characteristics. It can be equipped with pneumatic or electric actuators, enabling full automation across various processing lines.
Engineered with premium materials and precision components, it delivers reliable sealing, high resistance to pressure, and long service life.
Model Name
- AGV-15Y
- AGV-20Y
- AGV-25Y
- AGV-32Y
- AGV-40Y
- AGV-50Y
Application
- Water distribution pipes
- Industrial cleaning machines.
- Dyeing machine temperature control
- Middle and low stem equipments control
- Well water and wastewater disposal plant
Specification
| Valve Size | 15A ~ 50A | |
| Actuator Type | Cylinder Type | |
| Actuator Action | Single Acting (Spring Reuurn) | |
| Operating Media | Compressed Dry Air | |
| Operating Press | 405 ~ 7kg/㎠ | |
| Liner Adjust | None Manual Handle | |
| Fluid Temp | Valve:-10℃ ~ 180℃ | |
| End Connection | Female thread, socket welding | Flange type(Option) |
| Body Material | SUS316 | |
| Leakage allowance | ANSI Class VI | |
| Accessory | Limit Switch Box, Air Filter Regulator | |
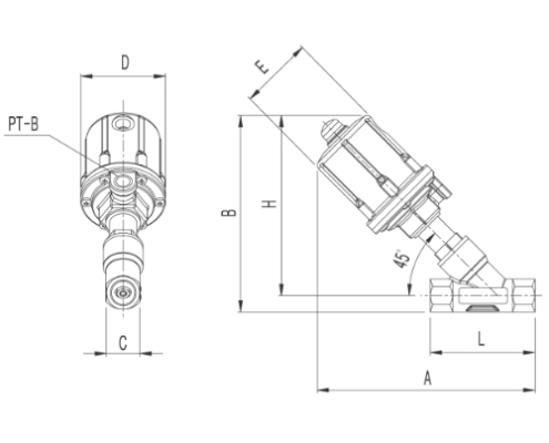
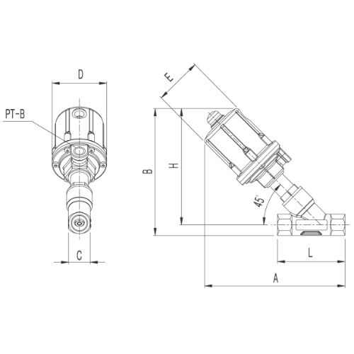
Dimension
| Model | Size | E | A | B | C | D | H | L | PT-B | |
| AGV-15Y | 15A | 1/2C | ø50 | 174.5 | 158 | 27 | ø68 | 144.5 | 84 | 1/4″ |
| AGV-20Y | 20A | 3/4″ | ø50 | 182 | 163.5 | 34 | ø68 | 146.5 | 94 | 1/4″ |
| AGV-25Y | 25A | 1″ | ø63 | 211 | 192.5 | 40 | ø84 | 172.5 | 104 | 1/4″ |
| AGV-32Y | 32A | 1-1/4″ | ø63 | 225 | 211.5 | 49 | ø84 | 187 | 120 | 1/4″ |
| AGV-40Y | 40A | 1-1/2″ | ø80 | 252 | 238.5 | 55 | ø105 | 211 | 130 | 1/4″ |
| AGV-50Y | 50A | 2″ | ø80 | 275 | 267 | 70 | ø105 | 232 | 150 | 1/4″ |
AUTOMA – Automatic Valve
Y Type Valve
AUTOMA Automatic Valve & Accessories
- 2-Stage Flanged Ball Valve – Double Acting
- Knife Gate Valve
- Tank Bottom Flush Valve
- Tank Bottom Ball Valve
- Y Type Valve
- Plastic Butterfly Valve
- Plastic Flange Ball Valve
- High Performance Butterfly Valve
- Butterfly Valve (Double Type)
- Butterfly Valve (Single Type)
- 3-Way Flange Ball Valve
- 3-Way Screw Ball Valve
- Flange Ball Valve (Double Type)
- Flange Ball Valve (Single Type)
- Screw 3 Pieced Ball Valve (Double Type)
- Screw 3 Pieced Ball Valve (Single Type)
- Screw 1 Pieced Ball Valve (Double Type)
- Screw 1 Pieced Ball Valve (Single Type)










