Description
AUTOMA Automatic Valve Screw 3 Pieced Ball Valve (Double Type)
This AUTOMA valve features a three-piece body design, allowing easier maintenance, disassembly, and cleaning without removing the valve from the pipeline. It is equipped with an automatic actuator—either electric or pneumatic—delivering precise and consistent flow control.
The Double Type structure further increases durability, stability, and mechanical strength, making it ideal for high-pressure industrial environments. The screwed-end connection allows fast installation and secure fitting, especially in compact or modular systems.
Model Name
- ADR40-8S3
- ADR40-10S3
- ADR40-15S3
- ADR40-20S3
- ADR50-25S3
- ADR65-32S3
- ADR65-40S3
- ADR80-50S3
Application
- Water Distribution Pipes
- Industrial Cleaning Machines
- Sterilizers, Boilers
- Air conditioners, Water Filters
- Medical equipments, Vacuum packing
Specification
| Valve Size | 8A(1/4″) | 10A(3/8″) | 15A(1/2″) | 20A(3/4″) | 25A(1″) | 32A(1-1/4″) | 40A(1-1/2″) | 50A(2″) |
| Actuator Model | ADR40 | ADR50 | ADR65 | ADR80 | ||||
| Actuator Type | Double Acting | |||||||
| Operating Media | Compressed Dry Air | |||||||
| Operating Pressure | 4~7kg/㎠ | |||||||
| Rotating Angle | 90˚ ±5˚ | |||||||
| Fluid Temperature | -20℃ ~ 80℃ | |||||||
| Rating | 1000 PSI | |||||||
| Body Material | A351-CF8 / Body | A351-CF8 / Ball | PTFE / Seat | |||||
| Accessory | Solenoid Valve, Limit Switch Box, Air filter Regulator, E/P Positioner | |||||||
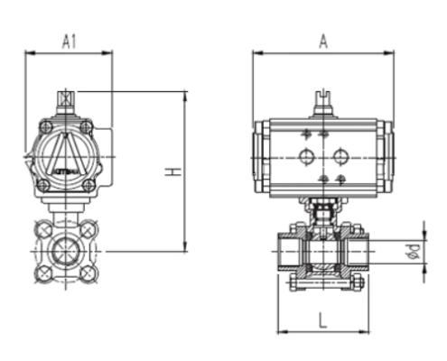
Dimension
| Model | Size | A | A1 | H (Approx) |
L | Ød | |
| mm | Inch | ||||||
| ADR40-8S3 | 8A | 1/4″ | 96 | 63 | 124 | 64 | 12.5 |
| ADR40-10S3 | 10A | 3/8″ | 96 | 63 | 124 | 64 | 12.5 |
| ADR40-15S3 | 15A | 1/2″ | 96 | 63 | 127 | 72 | 15 |
| ADR40-20S3 | 20A | 3/4″ | 96 | 63 | 133 | 80 | 20 |
| ADR50-25S3 | 25A | 1″ | 119 | 75 | 155 | 85 | 25 |
| ADR65-32S3 | 32A | 1-1/4″ | 131 | 89 | 177 | 105 | 32 |
| ADR65-40S3 | 40A | 1-1/2″ | 131 | 89 | 187 | 113 | 38 |
| ADR80-50S3 | 50A | 2″ | 189 | 101 | 221 | 132 | 50 |
AUTOMA – Automatic Valve
Screw 3 Pieced Ball Valve (Double Type)
AUTOMA Automatic Valve & Accessories
- 2-Stage Flanged Ball Valve – Double Acting
- Knife Gate Valve
- Tank Bottom Flush Valve
- Tank Bottom Ball Valve
- Y Type Valve
- Plastic Butterfly Valve
- Plastic Flange Ball Valve
- High Performance Butterfly Valve
- Butterfly Valve (Double Type)
- Butterfly Valve (Single Type)
- 3-Way Flange Ball Valve
- 3-Way Screw Ball Valve
- Flange Ball Valve (Double Type)
- Flange Ball Valve (Single Type)
- Screw 3 Pieced Ball Valve (Double Type)
- Screw 3 Pieced Ball Valve (Single Type)
- Screw 1 Pieced Ball Valve (Double Type)
- Screw 1 Pieced Ball Valve (Single Type)










