Description
AUTOMA Automatic Valve 3-Way Screw Ball Valve
In today’s industrial environment, efficiency and precision are critical. The AUTOMA Automatic Valve 3-Way Screw Ball Valve offers fully automated fluid control with a 3-way configuration, perfect for industries ranging from water treatment to chemical processing. Its robust design ensures durability, minimal leakage, and long-term reliability.
Benefits of Using AUTOMA 3-Way Screw Ball Valve
- Efficiency Boost: Automation streamlines operations, cutting labor costs and errors.
- Cost Savings: Durable materials and minimal maintenance reduce overall expenses.
- Reliable Performance: Stable operation under demanding industrial conditions.
- Safety Assurance: Leak-proof design ensures safe handling of fluids.
- Flexible Application: Adaptable for multiple industrial systems.
Model Name
- AD40-8S3W
- AD40-10S3W
- AD40-15S3W
- AD50-20S3W
- AD50-25S3W
- AD65-32S3W
- AD65-40S3W
- AD65-50S3W
Application
- Fluids: Water, Steam, Gas, Oil, Chemical Process
- Construction: 1 Piece 3 Way Body, Floating Ball, Anti Blow Out
- End Connection: PT Screw
- Design: ANSI B 1.20.1/16.34 / 16.5, ΑΡΙ 598
- Seat Leakage: Class V, VI
Specification
| Valve Size | 8A(1/4″) ~ 50A(2″) |
| Actuator Model | AD40 /AD50 / AD65 |
| Actuator Type | Pneumatic Double Acting(with Dry Air) |
| Operating Pressure | 4 ~ 7kg/㎠ |
| Rotating Angle | 90˚ ±5˚ |
| Fluid Temperature | -10℃ ~ 90℃ |
| Rating | 1000 PSI |
| Body Material | Body(A351 CF8M) / Ball(A182 F304, 316) / Seat(PTTE) |
| Accessory | Solenoid Valve, Limit Switch Box, Air filter Regulator, E/P Positioner |
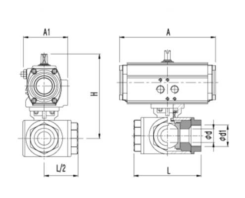
Dimension
| Model | Size | A | A1 | H (Approx) |
L | L/2 | Ød | Ød1 | |
| mm | inch | ||||||||
| AD40-8S3W | 8A | 1/4″ | 108 | 60 | 130 | 73 | 36 | 11 | 1/4″ |
| AD40-10S3W | 10A | 3/8″ | 108 | 60 | 130 | 73 | 36 | 11 | 3/8″ |
| AD40-15S3W | 15A | 1/2″ | 108 | 60 | 130 | 73 | 36 | 12 | 1/2″ |
| AD50-20S3W | 20A | 3/4″ | 162 | 75 | 149 | 85 | 42 | 15 | 3/4″ |
| AD50-25S3W | 25A | 1″ | 162 | 75 | 157 | 100 | 50 | 20 | 1″ |
| AD65-32S3W | 32A | 1-1/4″ | 202 | 89 | 180 | 113 | 56 | 25 | 1-1/4″ |
| AD65-40S3W | 40A | 1-1/2″ | 202 | 89 | 186 | 127 | 63 | 32 | 1-1/2″ |
| AD65-50S3W | 50A | 2″ | 202 | 89 | 197 | 150 | 75 | 38 | 2″ |
AUTOMA – Automatic Valve
3-Way Screw Ball Valve
AUTOMA Automatic Valve & Accessories
- 2-Stage Flanged Ball Valve – Double Acting
- Knife Gate Valve
- Tank Bottom Flush Valve
- Tank Bottom Ball Valve
- Y Type Valve
- Plastic Butterfly Valve
- Plastic Flange Ball Valve
- High Performance Butterfly Valve
- Butterfly Valve (Double Type)
- Butterfly Valve (Single Type)
- 3-Way Flange Ball Valve
- 3-Way Screw Ball Valve
- Flange Ball Valve (Double Type)
- Flange Ball Valve (Single Type)
- Screw 3 Pieced Ball Valve (Double Type)
- Screw 3 Pieced Ball Valve (Single Type)
- Screw 1 Pieced Ball Valve (Double Type)
- Screw 1 Pieced Ball Valve (Single Type)











