Description
AUTOMA Automatic Valve Butterfly Valve (Single Type)
The AUTOMA Automatic Valve Butterfly Valve (Single Type) is a high-quality quarter-turn valve designed to regulate and control flow in pipelines. Its single-offset design ensures effective sealing while minimizing wear and torque requirements. When paired with electric or pneumatic actuators, it becomes an automated solution for modern industrial flow systems.
Key Characteristics
- Single-offset (eccentric) design for improved sealing
- Automation-ready with electric or pneumatic actuators
- Durable construction for industrial applications
- Reduced torque for efficient operation
- Suitable for liquid, gas, and steam systems
Model Name
- AS50-40BF
- AS50-50BF
- AS65-65BF
- AS65-80BF
- AS80-100BF
- AS80-125BF
- AS100-150BF
- AS100-200BF
- AS125-250BF
- AS140-300BF
- AS160-350BF
- AS160-400BF
- AS200-450BF
- AS200-500BF
Application
- Fluids: Water, Steam, Gas, Oil, Chemical Process
- Construction: Concentric, Anti Static Device
- End Connection: RF, Wafer, Lug
- Design: API 609/598, ANSI B V 16, 34/16.47/16.5
- Seat Leakage: Class V, VI
Specification
| Valve Size | 40A(1/2″) ~ 1000A(40″) | |
| Actuator Model | AS50 ~ AS200 | |
| Actuator Type | Pneumatic Single Acting / Spring Return (with Dry Air) | |
| Operating Pressure | 4 ~ 7kg/㎠ | |
| Rotating Angle | 90˚ ±5˚ | |
| Fluid Temperature | -10℃ ~ 200℃ | |
| Rating | ANSI 150# | |
| Body Material | Body(A126 CL B, A216 WCB, A351 CF8) / Disc(A351 CF8, 8M) / Seat(EPDM, VITON) | |
| Accessory | Solenoid Valve, Limit Switch Box, Air filter Regulator, E/P Positioner | |
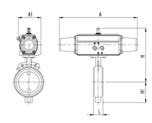
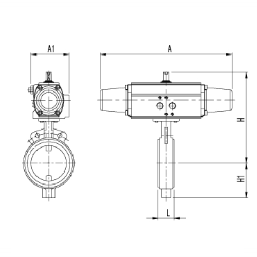
Dimension
| Model | Size | A | A1 | H (Approx) |
H1 | L | |
| mm | inch | ||||||
| AS50-40BF | 40A | 1-1/2″ | 257 | 75 | 215 | 58 | 41 |
| AS50-50BF | 50A | 2″ | 257 | 75 | 217 | 65 | 43 |
| AS65-65BF | 65A | 2-1/2″ | 314 | 89 | 250 | 71 | 46 |
| AS65-80BF | 80A | 3″ | 314 | 89 | 256 | 83 | 46 |
| AS80-100BF | 100A | 4″ | 430 | 101 | 287 | 100 | 52 |
| AS80-125BF | 125A | 5″ | 430 | 101 | 300 | 110 | 56 |
| AS100-150BF | 150A | 6″ | 500 | 129 | 334 | 130 | 56 |
| AS100-200BF | 200A | 8″ | 500 | 129 | 390 | 163 | 60 |
| AS125-250BF | 250A | 10″ | 606 | 151 | 455 | 227 | 68 |
| AS140-300BF | 300A | 12″ | 682 | 164 | 500 | 252 | 78 |
| AS160-350BF | 350A | 14″ | 781 | 189 | 544 | 272 | 78 |
| AS160-400BF | 400A | 16″ | 781 | 189 | 585 | 343 | 102 |
| AS200-450BF | 450A | 18″ | 982 | 231 | 704 | 366 | 114 |
| AS200-500BF | 500A | 20″ | 982 | 231 | 780 | 421 | 127 |
AUTOMA – Automatic Valve
Butterfly Valve (Single Type)
AUTOMA Automatic Valve & Accessories
- 2-Stage Flanged Ball Valve – Double Acting
- Knife Gate Valve
- Tank Bottom Flush Valve
- Tank Bottom Ball Valve
- Y Type Valve
- Plastic Butterfly Valve
- Plastic Flange Ball Valve
- High Performance Butterfly Valve
- Butterfly Valve (Double Type)
- Butterfly Valve (Single Type)
- 3-Way Flange Ball Valve
- 3-Way Screw Ball Valve
- Flange Ball Valve (Double Type)
- Flange Ball Valve (Single Type)
- Screw 3 Pieced Ball Valve (Double Type)
- Screw 3 Pieced Ball Valve (Single Type)
- Screw 1 Pieced Ball Valve (Double Type)
- Screw 1 Pieced Ball Valve (Single Type)










