Description
AUTOMA Automatic Valve Flange Ball Valve (Double Type)
The AUTOMA Double-Type Flange Ball Valve is a fully automated ball valve equipped with an electric or pneumatic actuator. The double-type design significantly enhances flow stability and durability, offering robust control for both high-pressure and high-temperature environments.
With its flanged-end configuration, it is ideally suited for heavy-duty systems requiring strong, vibration-resistant valve connections.
Benefits of AUTOMA Automatic Flange Ball Valve (Double Type)
- Unmatched Durability: Perfect for long-term industrial use.
- Enhanced Safety: Secure sealing prevents leaks, reducing operational hazards.
- Cost-Efficient: Low maintenance needs and long service life reduce overall costs.
- High Accuracy & Consistency: Automated actuator ensures repeatable precision control.
- Easy Installation: Flange ends allow fast integration into existing systems.
- Versatile Applications: Supports water, steam, chemicals, oil, and gas.
Model Name
- AD50-15F
- AD50-20F
- AD50-25F
- AD65-32F
- AD65-40F
- AD65-50F
- AD80-65F
- AD80-80F
- AD100-100F
- AD125-125F
- AD140-150F
- AD160-200F
- AD200-250F
Application
- Fluids: Water, Steam, Gas, Oil, Chemical Process
- Construction: 2 Piece Body, Floating Ball, Anti Blow Out
- End Connection: RF, BW, SW
- Design: API 6D/598, ANSI B V 16, 10/16.25/16.34/16.5
- Seat Leakage: Class IV, V, VI
Specification
| Valve Size | 15A(1/2″) ~ 300A(12″) | |
| Actuator Model | AD50/AD200 | |
| Actuator Type | Pneumatic Double Acting(with Dry Air) | |
| Operating Pressure | 4 ~ 7kg/㎠ | |
| Rotating Angle | 90˚ ±5˚ | |
| Fluid Temperature | -10℃ ~ 150℃ | |
| Rating | ANSI 150# (300#, 600#) | |
| Body Material | Body(A216 WCB, A351 CF8, 8M) / Ball(A182 F304,316) / Seat(PTFE,RTFE,PEEK,Metal) | |
| Accessory | Solenoid Valve, Limit Switch Box, Air filter Regulator, E/P Positioner | |
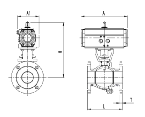
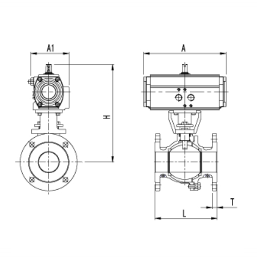
Dimension
| Model | Size | A | A1 | H (Approx) |
L | |
| mm | inch | |||||
| AD50-15F | 15A | 1/2″ | 162 | 75 | 188 | 108 |
| AD50-20F | 20A | 3/4″ | 162 | 75 | 191 | 117 |
| AD50-25F | 25A | 1″ | 162 | 75 | 200 | 127 |
| AD65-32F | 32A | 1-1/4″ | 202 | 89 | 220 | 140 |
| AD65-40F | 40A | 1-1/2″ | 202 | 89 | 242 | 165 |
| AD65-50F | 50A | 2″ | 202 | 89 | 249 | 178 |
| AD80-65F | 65A | 2-1/2″ | 262 | 101 | 279 | 190 |
| AD80-80F | 80A | 3″ | 262 | 101 | 319 | 203 |
| AD100-100F | 100A | 4″ | 311 | 129 | 357 | 229 |
| AD125-125F | 125A | 5″ | 390 | 151 | 415 | 356 |
| AD140-150F | 150A | 6″ | 431 | 164 | 480 | 394 |
| AD160-200F | 200A | 8″ | 506 | 189 | 589 | 457 |
| AD200-250F | 250A | 10″ | 605 | 231 | 720 | 533 |
AUTOMA – Automatic Valve
Flange Ball Valve (Double Type)
AUTOMA Automatic Valve & Accessories
- 2-Stage Flanged Ball Valve – Double Acting
- Knife Gate Valve
- Tank Bottom Flush Valve
- Tank Bottom Ball Valve
- Y Type Valve
- Plastic Butterfly Valve
- Plastic Flange Ball Valve
- High Performance Butterfly Valve
- Butterfly Valve (Double Type)
- Butterfly Valve (Single Type)
- 3-Way Flange Ball Valve
- 3-Way Screw Ball Valve
- Flange Ball Valve (Double Type)
- Flange Ball Valve (Single Type)
- Screw 3 Pieced Ball Valve (Double Type)
- Screw 3 Pieced Ball Valve (Single Type)
- Screw 1 Pieced Ball Valve (Double Type)
- Screw 1 Pieced Ball Valve (Single Type)










