Description
AUTOMA Automatic Valve Butterfly Valve (Double Type)
The AUTOMA Automatic Valve Butterfly Valve (Double Type) is an advanced butterfly valve featuring a double-offset design, allowing superior sealing performance and reduced friction during operation. With the integration of electric or pneumatic actuators, this valve ensures rapid, accurate, and efficient flow control across industrial pipelines.
Core Characteristics
- Double-offset (double eccentric) disc design
- Precision sealing for minimal leakage
- Automation-ready with electric or pneumatic actuators
- Enhanced durability for high-pressure applications
- Smooth opening and closing cycles with reduced wear
Model Name
- AD50-40BF
- AD50-50BF
- AD50-65BF
- AD65-80BF
- AD65-100BF
- AD80-125BF
- AD80-150BF
- AD100-200BF
- AD100-250BF
- AD125-300BF
- AD140-350BF
- AD160-400BF
- AD160-450BF
- AD200-500BF
- AD200-600BF
Application
- Fluids: Water, Steam, Gas, Oil, Chemical Process
- Construction: Concentric, Anti Static Device
- End Connection: FF, Wafer, Lug
- Design: API 609/598, ANSI B V 16, 34/16.47/16.5
- Seat Leakage: Class V, VI
Specification
| Valve Size | 40A(1.1/2″) ~ 1000A(40″) | |
| Actuator Model | AD50 ~ AD200 | |
| Actuator Type | Pneumatic Double Acting(with Dry Air) | |
| Operating Pressure | 4 ~ 7kg/㎠ | |
| Rotating Angle | 90˚ ±5˚ | |
| Fluid Temperature | -10℃ ~ 200℃ | |
| Rating | ANSI 150# | |
| Body Material | Body(A216 CL B, A216 WCB, A351 CF8) / Disc(A351 CF8, CF8M) / Seat(EPDM,VITON) | |
| Accessory | Solenoid Valve, Limit Switch Box, Air filter Regulator, E/P Positioner | |
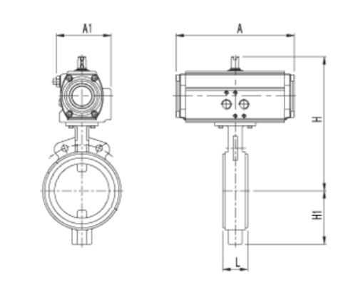
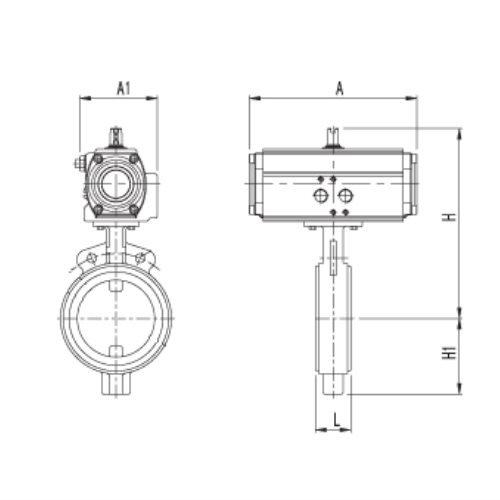
Dimension
| AD50-40BF | 40A | 1-1/2″ | 162 | 75 | 215 | 58 | 41 |
| AD50-50BF | 50A | 2″ | 162 | 75 | 217 | 65 | 43 |
| AD50-65BF | 65A | 2-1/2″ | 162 | 75 | 227 | 71 | 46 |
| AD65-80BF | 80A | 3″ | 202 | 89 | 256 | 83 | 46 |
| AD65-100BF | 100A | 4″ | 202 | 89 | 270 | 100 | 52 |
| AD80-125BF | 125A | 5″ | 262 | 101 | 300 | 110 | 56 |
| AD80-150BF | 150A | 6″ | 262 | 101 | 314 | 130 | 56 |
| AD100-200BF | 200A | 8″ | 311 | 129 | 390 | 163 | 60 |
| AD100-250BF | 250A | 10″ | 311 | 129 | 428 | 227 | 68 |
| AD125-300BF | 300A | 12″ | 390 | 151 | 482 | 252 | 78 |
| AD140-350BF | 350A | 14″ | 431 | 164 | 510 | 272 | 78 |
| AD160-400BF | 400A | 16″ | 506 | 189 | 585 | 343 | 102 |
| AD160-450BF | 450A | 18″ | 506 | 189 | 625 | 366 | 114 |
| AD200-500BF | 500A | 20″ | 605 | 231 | 783 | 421 | 127 |
| AD200-600BF | 600A | 24″ | 605 | 231 | 870 | 493 | 154 |
AUTOMA – Automatic Valve
Butterfly Valve (Double Type)
AUTOMA Automatic Valve & Accessories
- 2-Stage Flanged Ball Valve – Double Acting
- Knife Gate Valve
- Tank Bottom Flush Valve
- Tank Bottom Ball Valve
- Y Type Valve
- Plastic Butterfly Valve
- Plastic Flange Ball Valve
- High Performance Butterfly Valve
- Butterfly Valve (Double Type)
- Butterfly Valve (Single Type)
- 3-Way Flange Ball Valve
- 3-Way Screw Ball Valve
- Flange Ball Valve (Double Type)
- Flange Ball Valve (Single Type)
- Screw 3 Pieced Ball Valve (Double Type)
- Screw 3 Pieced Ball Valve (Single Type)
- Screw 1 Pieced Ball Valve (Double Type)
- Screw 1 Pieced Ball Valve (Single Type)










