Description
| Application: | Industrial heating and ventilation systems, residential applications, marked-warehouses, ship building, cooling systems, etc. |
| Medium: | Fluids, air and steam |
Features
• Self-operating (no auxilary power required)
• Reliable, low maintenance operation
• Over-temperature safety device
• Valves pressure balanced with stainless steel bellows
• 3 thermal controller sizes for optimal selection of proportional range
• Thermal sensors with different time constants
• Exact and easy adjustment
• Setting range is adjustable
• Sensor pocket
• Manual control device
Technical data
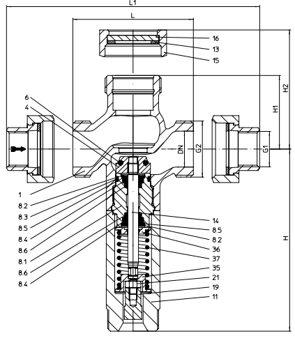
Thermal closing valve straight through with screwed sockets without balanced bellow

Fig. 72.771….2..1 max. 130°C

Fig. 45.771….2..1 max. 130°C

Fig. 45.772….2..1 with cooling spacer max. 250°C
| Figure | Nominal pressure | Material | Nominal diameter |
| 72.771….2..1 | PN16 | CC499K | G1/2″ – G1″ |
| Figure | Nominal pressure | Material | Nominal diameter |
| 45.771….2..1 45.772….2..1 |
PN40 | SA105 | G1/2″ – G2″ |
| DN | 15 | 20 | 25 | 32 | 40 | 50 |
| Face-to-face dimension FTF series 1 according to DIN EN 558 | |||||||
| L | (mm) | 80 | 90 | 110 | 120 | 130 | 150 |
| L1 | (mm) | 128 | 138 | 166 | — | — | — |
| Dimensions | ||||||||
| Ø G1 | (inch) | 1/2 | 3/4 | 1 | 1 1/4 | 1 1/2 | 2 | |
| Ø G2 | (inch) | 1 1/8 | 1 1/4 | 1 1/2 | 2 | 2 1/4 | 2 3/4 | |
| Fig. 771….2..1 | H | (mm) | 283 | 283 | 289 | — | — | — |
| H1 | (mm) | 55 | 55 | 55 | — | — | — | |
| H2 | (mm) | 65 | 65 | 66 | — | — | — | |
| Fig. 45.771….2..1 | H | (mm) | 127 | 127 | 131 | 138 | 138 | 140 |
| Fig. 45.772….2..1 | H | (mm) | 272 | 272 | 276 | 283 | 283 | 285 |
| Weights | |||||||
| Fig. 771….2..1 | (kg) | 2,9 | 3,1 | 3,7 | — | — | — |
| Fig. 45.771….2..1 | (kg) | 2,5 | 3,5 | 5 | 6 | 8 | 10 |
| Fig. 45.772….2..1 | (kg) | 3,5 | 4,5 | 6 | 7 | 9 | 11 |
| Kvs-value | ||||||||
| Fig. 72.771….2..1 | Kvs-value | (m3/h) | 4,0 | 6,3 | 10,0 | — | — | — |
| Travel | (mm) | 7,5 | 7,5 | 8 | — | — | — | |
| Fig. 45.771….2..1 Fig. 45.772….2..1 | Kvs-value | (m3/h) | 3,1 | 5,5 | 8,6 | 12,8 | 20 | 26 |
| Travel | (mm) | 7,5 | 7,5 | 8 | 9,5 | 9,5 | 11,5 | |
| Leakage rate | IV acc. to DIN EN 1349 or DIN EN 60534-4 (≤ 0,01% from the nominal flow) |
| Max. differential pressure drop Δp | ||||||||
| Fig. 72.771….2..1 | Straight through | (bar) | 9,3 | 9,3 | 5,6 | — | — | — |
| Fig. 45.771….2..1 Fig. 45.772….2..1 | Straight through | (bar) | 9,3 | 9,3 | 5,6 | 4,1 | 2,3 | 1,5 |
| Pressure balancing of the actuator needed at P1 > max. differential pressure drop Δp (out of table). For pressure balancing use manual control device (Type 9900390011). | ||||||||
| Parts | ||||
| Pos. | Sp.p. | Description | Fig. 72.771….2..1 | Fig. 45.771….2..1 / Fig. 45.772….2..1 |
| 1 | Body | CuSn5Zn5Pb2-C, CC499K | SA105 | |
| 1.2 | Seat | — | G19 9 Nb Si, 1.4551 | |
| 3 | Cheese head screw | A4-70 | A2-70 | |
| 4 | x | Plug | CuZn39Pb3, CW614N | — |
| 5 | Giude bushing | — | X20Cr13+QT, 1.4021+QT | |
| 6 | x | O-ring | EPDM | — |
| 7 | x | Gasket | — | Graphite |
| 8.1 | Coupling | CuZn39Pb3, CW614N | — | |
| 8.2 | Retaining ring | CuSn6, CW452K | — | |
| 8.3 | x | O-ring | EPDM | — |
| 8.4 | Bush | PTFE | — | |
| 8.5 | Washer | CuZn37, CW508L | — | |
| 8.6 | x | O-ring | EPDM | — |
| 11 | Bonnet | CuZn39Pb3, CW614N | P250 GH, 1.0460 | |
| 13 | Gasket | Centellen | — | |
| 14 | x | Spindle / Spindle unit | X6CrNiMoTi17-12-2, 1.4571 | X6CrNiTi18-10, 1.4541 |
| 15 | Sleeve nut | TMP / chrom. | — | |
| 16 | Blind plate | S235JR, 1.0037 | — | |
| 19 | Bearing cover | X6CrNiTi18-10, 1.4541 | ||
| 21 | Hexagon nut | A2 | A2-70 | |
| 28 | Cooling spacer | — | EN-JS1049, EN-GJS-400-18U-LT | |
| 35 | Spring plate | X6CrNiTi18-10, 1.4541 | — | |
| 36 | Spring plate | X6CrNiMoTi17-12-2, 1.4571 | — | |
| 37 | x | Compression spring | X10CrNi18-8, 1.4310 | |
| └ Spare parts | ||||
Information / restriction of technical rules need to be observed!
Operating and installation instructions can be downloaded at www.ari-armaturen.com. A production permission acc. to TRB 801 No. 45 is available.
The engineer, designing a system or a plant, is responsible for the selection of the correct valve.
Resistance and fitness must be verified (contact manufacturer for information, refer to Product overview and Resistance list).
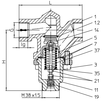
ARI-TEMPTROL® 773 LCG
Thermal-mixing/diverting valve – 3way – without cooling spacer (max. 130°C) – without balancing bellow
ARI ARMATUREN – Steam product solutions
- ARI-TEMPTROL® 771/772 Thermal-closing valve
- ARI-TEMPTROL® 771 LCG Thermal-closing valve ARI Armaturen
- ARI-TEMPTROL® 775 Thermal-opening valve ARI Armaturen
- ARI-TEMPTROL® 775 LCG Thermal-opening valve
- ARI-TEMPTROL® 773/774 Thermal-mixing/diverting valve
- ARI-TEMPTROL® 773 LCG Thermal-mixing/diverting valve









